Совместимость переднего колеса Hornet CB600F и CBR600F4

Технические вопросы по сборке, устройству и разборке иностранных мото.
Сообщение
Автор
Serega iz Nvmskovska
На форуме: 15 Лет 10 Месяцев 26 дней
Сообщения: 8,695
Зарегистрирован: Пт июн 18, 2010 19:03
Откуда: ...см. выше
Имя: Сергей
Пол:

Re: Совместимость переднего колеса Hornet CB600F и CBR600F4

#16 Сообщение Serega iz Nvmskovska »

alex28 писал(а):если ваше предложение ещё в силе, то я бы согласился на вашу помощь
В выходные был в гараже и мог померить, но вы сразу отказались. Теперь появлюсь в гараже не ранее следующих.

alex28
На форуме: 10 Лет 10 Месяцев 26 дней
Сообщения: 25
Зарегистрирован: Ср июн 17, 2015 09:29
Откуда: Nighniy Novgorod
Имя: Александр
Мотоцикл: Honda Hornet CB600
Пол:

Re: Совместимость переднего колеса Hornet CB600F и CBR600F4

#17 Сообщение alex28 »

мне не горит. Сам не знаю, когда получится померить

Serega iz Nvmskovska
На форуме: 15 Лет 10 Месяцев 26 дней
Сообщения: 8,695
Зарегистрирован: Пт июн 18, 2010 19:03
Откуда: ...см. выше
Имя: Сергей
Пол:

Re: Совместимость переднего колеса Hornet CB600F и CBR600F4

#18 Сообщение Serega iz Nvmskovska »

alex28напиши размеры каких мест тебе нужны

alex28
На форуме: 10 Лет 10 Месяцев 26 дней
Сообщения: 25
Зарегистрирован: Ср июн 17, 2015 09:29
Откуда: Nighniy Novgorod
Имя: Александр
Мотоцикл: Honda Hornet CB600
Пол:

Re: Совместимость переднего колеса Hornet CB600F и CBR600F4

#19 Сообщение alex28 »

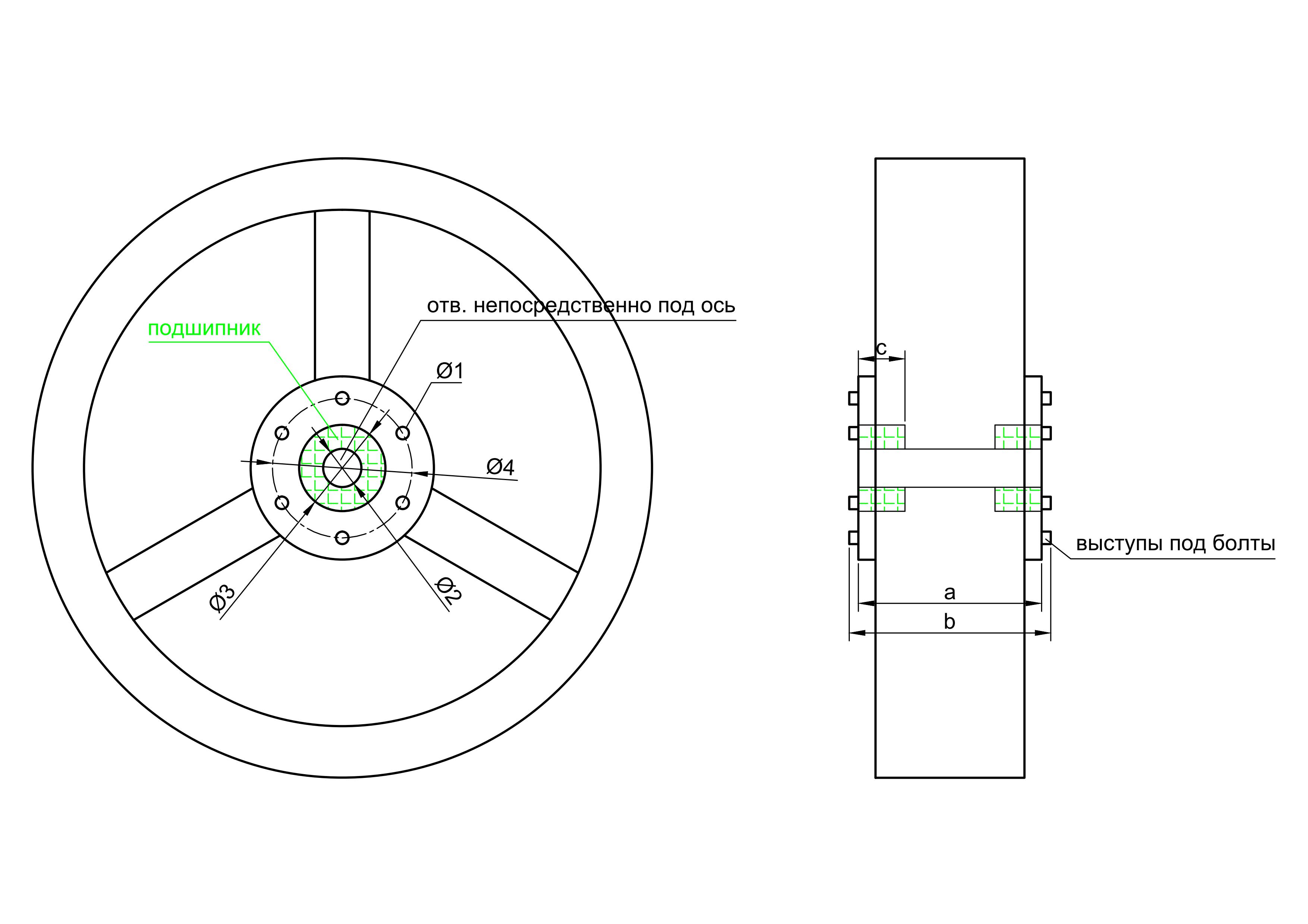
вот. Здесь только колесный диск с подшипником (без болтов и чего бы то ни было).
Показал максимум размеров. Если колесо на моте, понятное дело всё замерить не получится, но по максимуму что сможешь.
Может нарисовал что не так. Если что, поправь меня.
Вложения
диск.jpg

Serega iz Nvmskovska
На форуме: 15 Лет 10 Месяцев 26 дней
Сообщения: 8,695
Зарегистрирован: Пт июн 18, 2010 19:03
Откуда: ...см. выше
Имя: Сергей
Пол:

Re: Совместимость переднего колеса Hornet CB600F и CBR600F4

#20 Сообщение Serega iz Nvmskovska »

Всё. Теперь точно ясно, что колеса разные. У колеса для F4 на привалочных плоскостях крепления тормозных дисков к колесу нет ни каких выступов под болты. Поверхность ровная и в ней просто 6 отверстий.

Тему можно закрывать ни куда не ходя.

Аватара пользователя
XPOH
На форуме: 13 Лет 2 Месяцев 7 дней
Сообщения: 16,367
Зарегистрирован: Вс мар 03, 2013 15:34
Род занятий: Архитектор системы
Откуда: Железнодорожный, МО
Имя: Сергей
Мотоцикл: Скутер 50сс
Пол:

Re: Совместимость переднего колеса Hornet CB600F и CBR600F4

#21 Сообщение XPOH »

alex28 писал(а):Может нарисовал что не так. Если что, поправь меня.
То есть, чертеж неточен, вокруг дырок под болты на левом виде должны быть окружности, обозначающие внешний край выступов, а сейчас там обозначены только отверстия?

Добавлено спустя 2 минуты 36 секунд:
Serega iz Nvmskovska писал(а):Тему можно закрывать ни куда не ходя.
Серега, ты решил спрыгнуть с темы не подмогнув мотобрату? :smile9:
У меня есть ответ на главный вопрос жизни, вселенной и всего такого, но он может вас огорчить...

alex28
На форуме: 10 Лет 10 Месяцев 26 дней
Сообщения: 25
Зарегистрирован: Ср июн 17, 2015 09:29
Откуда: Nighniy Novgorod
Имя: Александр
Мотоцикл: Honda Hornet CB600
Пол:

Re: Совместимость переднего колеса Hornet CB600F и CBR600F4

#22 Сообщение alex28 »

Снятое переднее колесо я ни разу не видел. Рисовал по картинкам из инета, в частности по этой:
https://www.megazip.ru/zapchasti-dlya-m ... o-11076809
Там что то типа выступов присутствует.
Вот колесо для CBR:
https://www.megazip.ru/zapchasti-dlya-m ... o-13604321
Тут тоже показано нечто похожее на выступы.
Может я неправильно выразился, но места установки болтов определённым образом выделены. Это я и имел в виду.
Вложения
Screenshot_222.jpg
593ff71ac026c.jpeg
5b0df6867aa2d.jpeg

Аватара пользователя
XPOH
На форуме: 13 Лет 2 Месяцев 7 дней
Сообщения: 16,367
Зарегистрирован: Вс мар 03, 2013 15:34
Род занятий: Архитектор системы
Откуда: Железнодорожный, МО
Имя: Сергей
Мотоцикл: Скутер 50сс
Пол:

Re: Совместимость переднего колеса Hornet CB600F и CBR600F4

#23 Сообщение XPOH »

alex28 писал(а):Может я неправильно выразился, но места установки болтов определённым образом выделены. Это я и имел в виду.
Да эт короче буйня - просто со ступицы снята часть мяса для облегчения. Ключевые размеры диска
1) осевая толщина ступицы по привалочным поверхностям под болты
2) осевая толщина ступицы по тем местам, где ось входит в ступицу и обжимается вилкой/втулками/проставками оси
3) взаимное расположение между 1 и 2, но на самом деле если 1 и 2 совпадает, то данный пункт решается проставочными фтулками
4) всякие посадочный диаметр и ширина обода
5) PCD (посадочное под крепления тормозных дисков, размеры и конфигурация)
У меня есть ответ на главный вопрос жизни, вселенной и всего такого, но он может вас огорчить...

alex28
На форуме: 10 Лет 10 Месяцев 26 дней
Сообщения: 25
Зарегистрирован: Ср июн 17, 2015 09:29
Откуда: Nighniy Novgorod
Имя: Александр
Мотоцикл: Honda Hornet CB600
Пол:

Re: Совместимость переднего колеса Hornet CB600F и CBR600F4

#24 Сообщение alex28 »

XPOH писал(а): 4) всякие посадочный диаметр и ширина обода
это я так понимаю "вшито" в обозначение диска JWL ... (см. выше). И я сравнивал обозначения резины, они одинаковые для обеих моделей.
Остальные размеры я вроде все на чертеже отметил.

Аватара пользователя
XPOH
На форуме: 13 Лет 2 Месяцев 7 дней
Сообщения: 16,367
Зарегистрирован: Вс мар 03, 2013 15:34
Род занятий: Архитектор системы
Откуда: Железнодорожный, МО
Имя: Сергей
Мотоцикл: Скутер 50сс
Пол:

Re: Совместимость переднего колеса Hornet CB600F и CBR600F4

#25 Сообщение XPOH »

Виталий писал(а):номера разные
Былиб одинаковые - былоб проще.
Другое дело что наоборот бывает. Диски подходят, а номера разные. А разные они из-за дизайна спиц или цвета. Т.е. модельный год уже может иметь разные номера, а диски взаимозаменяемые.
У хонды партномеры могут отличаться, но это замена, другая модификация или просто для другой модели предназначены.
У меня есть ответ на главный вопрос жизни, вселенной и всего такого, но он может вас огорчить...

alex28
На форуме: 10 Лет 10 Месяцев 26 дней
Сообщения: 25
Зарегистрирован: Ср июн 17, 2015 09:29
Откуда: Nighniy Novgorod
Имя: Александр
Мотоцикл: Honda Hornet CB600
Пол:

Re: Совместимость переднего колеса Hornet CB600F и CBR600F4

#26 Сообщение alex28 »

но подойти то могут, с разными партномерами?
или если номер разный, то точно не подойдёт?

Аватара пользователя
XPOH
На форуме: 13 Лет 2 Месяцев 7 дней
Сообщения: 16,367
Зарегистрирован: Вс мар 03, 2013 15:34
Род занятий: Архитектор системы
Откуда: Железнодорожный, МО
Имя: Сергей
Мотоцикл: Скутер 50сс
Пол:

Re: Совместимость переднего колеса Hornet CB600F и CBR600F4

#27 Сообщение XPOH »

alex28 писал(а):но подойти то могут, с разными партномерами?
или если номер разный, то точно не подойдёт?
Подойти могут
У меня есть ответ на главный вопрос жизни, вселенной и всего такого, но он может вас огорчить...

Serega iz Nvmskovska
На форуме: 15 Лет 10 Месяцев 26 дней
Сообщения: 8,695
Зарегистрирован: Пт июн 18, 2010 19:03
Откуда: ...см. выше
Имя: Сергей
Пол:

Re: Совместимость переднего колеса Hornet CB600F и CBR600F4

#28 Сообщение Serega iz Nvmskovska »

XPOH писал(а):Серега, ты решил спрыгнуть с темы не подмогнув мотобрату?
Я подморгну, но не ранее выходных.

alex28
На форуме: 10 Лет 10 Месяцев 26 дней
Сообщения: 25
Зарегистрирован: Ср июн 17, 2015 09:29
Откуда: Nighniy Novgorod
Имя: Александр
Мотоцикл: Honda Hornet CB600
Пол:

Re: Совместимость переднего колеса Hornet CB600F и CBR600F4

#29 Сообщение alex28 »

Спасибо! :good:

alex28
На форуме: 10 Лет 10 Месяцев 26 дней
Сообщения: 25
Зарегистрирован: Ср июн 17, 2015 09:29
Откуда: Nighniy Novgorod
Имя: Александр
Мотоцикл: Honda Hornet CB600
Пол:

Re: Совместимость переднего колеса Hornet CB600F и CBR600F4

#30 Сообщение alex28 »

Был в эти выходные в гараже. Вот что намерил
Вложения
2.jpg
1.jpg
диск.jpg

Ответить