ремонт коробки передач ИЖ-П5
- green_usv
- На форуме: 7 Лет 11 Месяцев 4 дней
- Сообщения: 5
- Зарегистрирован: Ср ноя 22, 2017 17:40
- Род занятий: см. в ICQ
- Откуда: Великие Луки
- Имя: Александр Владимирович
- Мотоцикл: ИЖ-П5
- Пол:
ремонт коробки передач ИЖ-П5
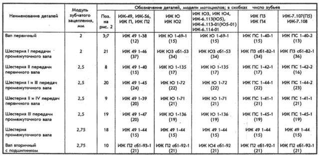
Доброго времени суток. У моего знакомого ИЖ Планета 5 с коробкой от Планеты 3, и следующий вопрос: сколько зубьев на шестерне «ИЖПС.1-44-1»?
- green_usv
- На форуме: 7 Лет 11 Месяцев 4 дней
- Сообщения: 5
- Зарегистрирован: Ср ноя 22, 2017 17:40
- Род занятий: см. в ICQ
- Откуда: Великие Луки
- Имя: Александр Владимирович
- Мотоцикл: ИЖ-П5
- Пол:
Re: ремонт коробки передач ИЖ-П5
Спасибо за помощь. Я тут новенький, а есть ли ссылка на ваши словари? А не то я не знаю, что такое «мурзилка». Подскажите, пожалуйста.
- Виталий
- На форуме: 17 Лет 1 Месяц 17 дней
- Сообщения: 19,444
- Зарегистрирован: Пн сен 08, 2008 01:42
- Род занятий: Автомобильное оборудование
- Откуда: Москва, Алексеевская
- Имя: Виталий
- Мотоцикл: Yamaha MT-03 (660) продал
- Пол:
- Контактная информация:
Re: ремонт коробки передач ИЖ-П5
green_usv писал(а):что такое «мурзилка».

Последний раз редактировалось Виталий Пт ноя 24, 2017 05:15, всего редактировалось 1 раз.
Инфа стопроцентная!
- green_usv
- На форуме: 7 Лет 11 Месяцев 4 дней
- Сообщения: 5
- Зарегистрирован: Ср ноя 22, 2017 17:40
- Род занятий: см. в ICQ
- Откуда: Великие Луки
- Имя: Александр Владимирович
- Мотоцикл: ИЖ-П5
- Пол:
Re: ремонт коробки передач ИЖ-П5
Спасибо. А если есть какие-то термины, сленг и т.п., то дайте ссылки на словарь(и) на будущее.
- maxys146
- На форуме: 12 Лет 11 Месяцев 13 дней
- Сообщения: 20,049
- Зарегистрирован: Чт ноя 15, 2012 09:34
- Откуда: msk
- Имя: Макс
- Мотоцикл: Motocross only
- Пол:
- Контактная информация:
Re: ремонт коробки передач ИЖ-П5
http://google.com/green_usv писал(а):А если есть какие-то термины, сленг и т.п., то дайте ссылки на словарь(и) на будущее.
Последний раз редактировалось maxys146 Пт ноя 24, 2017 12:11, всего редактировалось 1 раз.
Учись ездить, а не гонять!
- Bespechny
- На форуме: 10 Лет 3 Месяцев 24 дней
- Сообщения: 1,345
- Зарегистрирован: Ср июл 01, 2015 13:44
- Род занятий: IT
- Откуда: Moscow, ЮАО, Орехово
- Имя: Vladimir
- Мотоцикл: Yamaha FZ6S, Yamaha FJR1300AS
- Пол:
Re: ремонт коробки передач ИЖ-П5
Странно.green_usv писал(а):Неправильный ответ. Например, значение «мурзилки» я бы в Гугле не нашёл.
У меня - вторая ссылка.
Правда я привык яхой искать....
https://search.yahoo.com/search?p=%D1%8 ... s&ei=UTF-8
Последний раз редактировалось Bespechny Пт ноя 24, 2017 13:44, всего редактировалось 1 раз.
Walking on the Air...
-
- На форуме: 15 Лет 5 Месяцев 25 дней
- Сообщения: 3,417
- Зарегистрирован: Вс май 02, 2010 22:07
- Откуда: Москва
- Имя: Станислав
- Мотоцикл: Урал 8.103, XTZ750 SuperTenere
- Пол:
Re: ремонт коробки передач ИЖ-П5
А мне первая больше понравиласьBespechny писал(а):У меня - вторая ссылка.

Последний раз редактировалось Stas467 Пт ноя 24, 2017 14:43, всего редактировалось 1 раз.
На дороге смерти не бывает королей.
- green_usv
- На форуме: 7 Лет 11 Месяцев 4 дней
- Сообщения: 5
- Зарегистрирован: Ср ноя 22, 2017 17:40
- Род занятий: см. в ICQ
- Откуда: Великие Луки
- Имя: Александр Владимирович
- Мотоцикл: ИЖ-П5
- Пол:
термины
В том то и дело, что значений много, так что общий поиск не подходит, а нужен специализированный словарь.
- Bespechny
- На форуме: 10 Лет 3 Месяцев 24 дней
- Сообщения: 1,345
- Зарегистрирован: Ср июл 01, 2015 13:44
- Род занятий: IT
- Откуда: Moscow, ЮАО, Орехово
- Имя: Vladimir
- Мотоцикл: Yamaha FZ6S, Yamaha FJR1300AS
- Пол:
Re: ремонт коробки передач ИЖ-П5
Интернет вообще жуткая помойка и однозначное зло)green_usv писал(а):В том то и дело, что значений много, так что общий поиск не подходит, а нужен специализированный словарь.
Лично я согласен вернуться со времена, когда Даль, Ожигов и БСЭ были конечными инстанциями)
Walking on the Air...
-
- На форуме: 7 Лет 7 Месяцев 15 дней
- Сообщения: 1
- Зарегистрирован: Пн мар 12, 2018 11:43
- Откуда: Москва
- Имя: Сергей
- Мотоцикл: suzuki
- Пол:
- Забанен: Бессрочно
Re: ремонт коробки передач ИЖ-П5
Кстати, может быть кому-то пригодится, много разной авто и мототехники. Брал здесь насос https://www.bigam.ru/product/nasos-gidr ... 55-172897/ . Ассортимент огромный, можно найти много всего по другой теме. Заказ привозят очень быстро, товар тестируют, дают гарантию. Есть свои сервисные центры.
Последний раз редактировалось sserch Пн мар 12, 2018 11:54, всего редактировалось 1 раз.