Питание стартера - нужен совет знающих людей (Kawasaki ER5)
- Geodozer
- На форуме: 12 Лет 5 Месяцев 3 дней
- Сообщения: 3,968
- Зарегистрирован: Сб май 18, 2013 19:30
- Откуда: DC
- Пол:
Питание стартера - нужен совет знающих людей (Kawasaki ER5)
Иногда было, что стартер не с первого раза срабатывал, нажал - тишина, нажал - работает.
Не придавал этому значения, ибо весьма редко такое происходило.
Сегодня еле завёлся - стартер не реагировал на кнопку, пытался с толкача, но безуспешно (организм был не готов к атлетическим подвигам), потом нажал на кнопку - и всё заработало.
Сейчас полез смотреть, что к чему.
Первое. Коротыш в стартере.
Снял, разобрал, почистил - криминала не было, но всё в говнe и, видимо, через него могло коротить + какой-то штифтик был в "редукторном" механизме, и он клинил шестерни. Почистил, собрал - напрямую бодро крутит.
Поставил стартер, подключил, а проблема осталась.
Второе. Барахлит цилиндрическое четырёхконтактное реле. Щёлкает быстро-быстро, когда кнопку стартера жмёшь. Внешне - штука неразборная, хотя я попытаюсь разобрать и не сломать.
Третье. Тяговое (втягивающее) реле. Разрывает силовой + между акб и стартером, на него, видимо, повешены и прочие потребители. Оно вообще молчит.
Выглядит совсем неразборным. При перемыкании отвёрткой - стартер естественно крутит.
По опыту с автостартерами, могу предположить, что или втягивающее ойвсё, или вот эта вот цилиндрическая релюха.
Вопрос: чем это можно заменить, если в магазинах данных деталей нема?
Не придавал этому значения, ибо весьма редко такое происходило.
Сегодня еле завёлся - стартер не реагировал на кнопку, пытался с толкача, но безуспешно (организм был не готов к атлетическим подвигам), потом нажал на кнопку - и всё заработало.
Сейчас полез смотреть, что к чему.
Первое. Коротыш в стартере.
Снял, разобрал, почистил - криминала не было, но всё в говнe и, видимо, через него могло коротить + какой-то штифтик был в "редукторном" механизме, и он клинил шестерни. Почистил, собрал - напрямую бодро крутит.
Поставил стартер, подключил, а проблема осталась.
Второе. Барахлит цилиндрическое четырёхконтактное реле. Щёлкает быстро-быстро, когда кнопку стартера жмёшь. Внешне - штука неразборная, хотя я попытаюсь разобрать и не сломать.
Третье. Тяговое (втягивающее) реле. Разрывает силовой + между акб и стартером, на него, видимо, повешены и прочие потребители. Оно вообще молчит.
Выглядит совсем неразборным. При перемыкании отвёрткой - стартер естественно крутит.
По опыту с автостартерами, могу предположить, что или втягивающее ойвсё, или вот эта вот цилиндрическая релюха.
Вопрос: чем это можно заменить, если в магазинах данных деталей нема?
Починяю примусы, регулирую карбюраторы.
- Виталий
- На форуме: 17 Лет 1 Месяц 12 дней
- Сообщения: 19,444
- Зарегистрирован: Пн сен 08, 2008 01:42
- Род занятий: Автомобильное оборудование
- Откуда: Москва, Алексеевская
- Имя: Виталий
- Мотоцикл: Yamaha MT-03 (660) продал
- Пол:
- Контактная информация:
Re: Питание стартера - нужен совет знающих людей (Kawasaki E
Откуда там втягивающее? Проверяй где нет питания контрольной лампой.
Инфа стопроцентная!
- Geodozer
- На форуме: 12 Лет 5 Месяцев 3 дней
- Сообщения: 3,968
- Зарегистрирован: Сб май 18, 2013 19:30
- Откуда: DC
- Пол:
Re: Питание стартера - нужен совет знающих людей (Kawasaki E
Виталий, а чем является т.н. «реле стартера»? Которое с двумя здоровенными болтами, на которые крепится + от акб и + на стартер.
Это ж аналог втягивающего. Только хз, как оно там внутри устроено - просто силовое реле на много ампер?
Это ж аналог втягивающего. Только хз, как оно там внутри устроено - просто силовое реле на много ампер?
Починяю примусы, регулирую карбюраторы.
- Виталий
- На форуме: 17 Лет 1 Месяц 12 дней
- Сообщения: 19,444
- Зарегистрирован: Пн сен 08, 2008 01:42
- Род занятий: Автомобильное оборудование
- Откуда: Москва, Алексеевская
- Имя: Виталий
- Мотоцикл: Yamaha MT-03 (660) продал
- Пол:
- Контактная информация:
Re: Питание стартера - нужен совет знающих людей (Kawasaki E
Да. Так и называется реле стартера.Geodozer писал(а):просто силовое реле на много ампер
Инфа стопроцентная!
- Geodozer
- На форуме: 12 Лет 5 Месяцев 3 дней
- Сообщения: 3,968
- Зарегистрирован: Сб май 18, 2013 19:30
- Откуда: DC
- Пол:
Re: Питание стартера - нужен совет знающих людей (Kawasaki E
Как я писал выше - штука эта в продаже отсутствует (под заказ из Владивостока).
Вопрос в том, чем можно заменить.
Встречал советы поставить реле на 70А от газели, видел вариант сколхаживания китайского реле с корпусом японского.
Более вменяемые варианты бывают?
Вопрос в том, чем можно заменить.
Встречал советы поставить реле на 70А от газели, видел вариант сколхаживания китайского реле с корпусом японского.
Более вменяемые варианты бывают?
Починяю примусы, регулирую карбюраторы.
- Виталий
- На форуме: 17 Лет 1 Месяц 12 дней
- Сообщения: 19,444
- Зарегистрирован: Пн сен 08, 2008 01:42
- Род занятий: Автомобильное оборудование
- Откуда: Москва, Алексеевская
- Имя: Виталий
- Мотоцикл: Yamaha MT-03 (660) продал
- Пол:
- Контактная информация:
Re: Питание стартера - нужен совет знающих людей (Kawasaki E
Geodozer, нужно проверить цепь. Может дело не в реле быть, а в цепи включения.
А реле можно по сути заменить любым другим подходящим по току.
От стелса бенелли например потянет. Или от китайского квадрика.
Или из чипидипа что-то подобрать.
А реле можно по сути заменить любым другим подходящим по току.
От стелса бенелли например потянет. Или от китайского квадрика.
Или из чипидипа что-то подобрать.
Инфа стопроцентная!
-
- На форуме: 11 Лет 8 Месяцев 3 дней
- Сообщения: 674
- Зарегистрирован: Пн фев 17, 2014 20:00
- Откуда: москва
- Имя: сергей
- Мотоцикл: скутер 150сс, и урал падарыли))
- Пол:
Re: Питание стартера - нужен совет знающих людей (Kawasaki E
заменяется любым реле стартера от любой мототехники ( да и от авто можно поискать сильноточные). обрезаешь фишку управления от старого реле и вешаешь на новое.
-
- На форуме: 10 Лет 4 Месяцев 10 дней
- Сообщения: 467
- Зарегистрирован: Ср июн 10, 2015 14:10
- Имя: Axon
Re: Питание стартера - нужен совет знающих людей (Kawasaki E
А что, с кнопкой всё впорядке ?
Добавлено спустя 1 минуту 11 секунд:
Re: Питание стартера - нужен совет знающих людей (Kawasaki ER5)
https://www.motorr.net/магазин-склад/мо ... -соленойд/
Добавлено спустя 1 минуту 11 секунд:
Re: Питание стартера - нужен совет знающих людей (Kawasaki ER5)
Та ладно )))Geodozer писал(а):в магазинах данных деталей нема
https://www.motorr.net/магазин-склад/мо ... -соленойд/
- Geodozer
- На форуме: 12 Лет 5 Месяцев 3 дней
- Сообщения: 3,968
- Зарегистрирован: Сб май 18, 2013 19:30
- Откуда: DC
- Пол:
Re: Питание стартера - нужен совет знающих людей (Kawasaki E
Axon, кнопка замыкает цепь, тут всё ок.
Не ок с релюхами, причём я не совсем понимаю, зачем их две штуки - одна релюха (056700-5260 DENSO) активируется кнопкой, и уже эта релюха включает реле стартера.
За ссыль спасибо, но 1500 - как-то слегка негуманно, да и грамотность вызывает некоторые сомнения втом, что то, это то ))
Не ок с релюхами, причём я не совсем понимаю, зачем их две штуки - одна релюха (056700-5260 DENSO) активируется кнопкой, и уже эта релюха включает реле стартера.
За ссыль спасибо, но 1500 - как-то слегка негуманно, да и грамотность вызывает некоторые сомнения втом, что то, это то ))
Починяю примусы, регулирую карбюраторы.
- Бес
- На форуме: 15 Лет 4 Месяцев 4 дней
- Сообщения: 2,898
- Зарегистрирован: Чт июн 17, 2010 19:21
- Откуда: Москва
- Имя: Степан
- Мотоцикл: Z-750
- Пол:
Re: Питание стартера - нужен совет знающих людей (Kawasaki E
У меня замок зажигания по моему барахлит. Бывает такая же фигня. Жмешь - нету, еще разок - есть.
Ваше право на собственное мнение еще не обязывает меня слушать бред.
-
- На форуме: 15 Лет 7 Месяцев 5 дней
- Сообщения: 956
- Зарегистрирован: Чт мар 18, 2010 08:46
- Откуда: Москва, Планерная
- Имя: Алексей
- Мотоцикл: Honda PC800
- Пол:
Re: Питание стартера - нужен совет знающих людей (Kawasaki E
Подключить по схеме любое стандартное автомобильное реле (емнип, они на 30А обычно)?Geodozer писал(а):Щёлкает быстро-быстро, когда кнопку стартера жмёшь
Насколько я в курсе - частое щелканье не является признаком нормальной работы самого реле, либо на него не доходит открывающее напряжение с кнопки стартера. Если с кнопкой точно все 100% окей...
Японские инженегры решили, что ток для открытия силового реле стартера убьет контакты в кнопке, и поставили еще один "промежуточный усилитель"

ЗЫ А проблема не связана ли с датчиками подножки/сцепления? Знаю как минимум один случай своеобразного поведения системы запуска при пробитом диоде сцепления.
Пацифик - это старый, весь заросший пластиком чоппер (с)
- Geodozer
- На форуме: 12 Лет 5 Месяцев 3 дней
- Сообщения: 3,968
- Зарегистрирован: Сб май 18, 2013 19:30
- Откуда: DC
- Пол:
Re: Питание стартера - нужен совет знающих людей (Kawasaki E
Датчика сцепления у меня нет (на передаче вообще нельзя завести), датчик подножки вроде бы нормально работает и завязан с датчиком нейтрали.
Во всяком случае, если мопед заведён и стоит на ленивке, при втыкании передачи - глохнет. Собственно говоря, если мотор уже заведён, то никаких приколов нет.
Возможно подклинивало стартер и из-за этого подгорали релюхи? Хз.
Промежуточную я разобрал, внутри всё чисто. Пойду сейчас попробую зацепить обычную жигулёвскую на 30А.
Во всяком случае, если мопед заведён и стоит на ленивке, при втыкании передачи - глохнет. Собственно говоря, если мотор уже заведён, то никаких приколов нет.
Возможно подклинивало стартер и из-за этого подгорали релюхи? Хз.
Промежуточную я разобрал, внутри всё чисто. Пойду сейчас попробую зацепить обычную жигулёвскую на 30А.
Починяю примусы, регулирую карбюраторы.
- Виталий
- На форуме: 17 Лет 1 Месяц 12 дней
- Сообщения: 19,444
- Зарегистрирован: Пн сен 08, 2008 01:42
- Род занятий: Автомобильное оборудование
- Откуда: Москва, Алексеевская
- Имя: Виталий
- Мотоцикл: Yamaha MT-03 (660) продал
- Пол:
- Контактная информация:
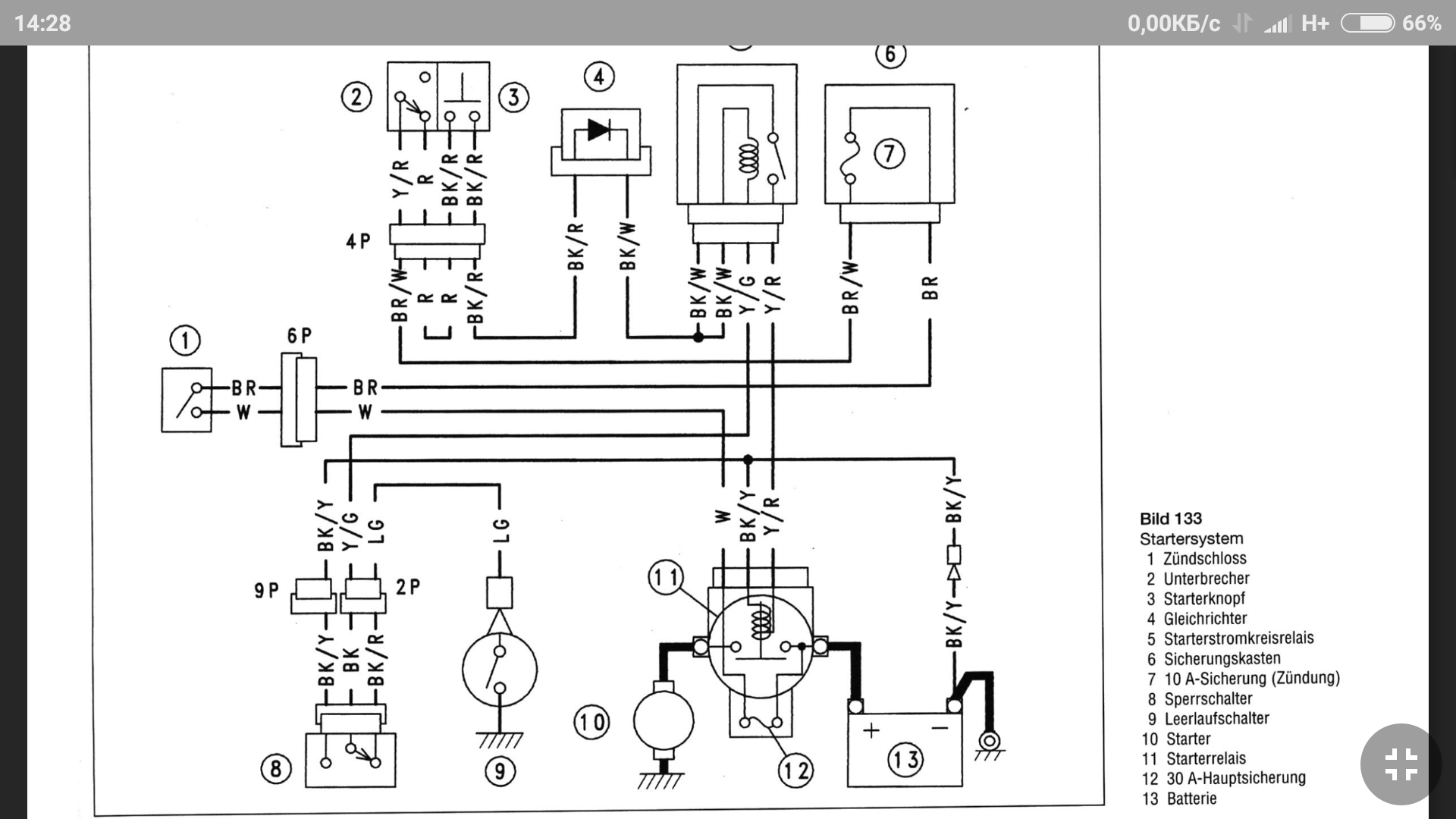
Re: Питание стартера - нужен совет знающих людей (Kawasaki E
Вот схема.
Добавлено спустя 15 минут 6 секунд:
Re: Питание стартера - нужен совет знающих людей (Kawasaki ER5)
Перечитал еще раз глядя на схему. Подай плюс проводом с акб на провод который между реле идет.
Если стартер начнет крутить - скорее всего проблема в схеме питания малого реле. Например диод умирает. Или провод отваливается.
Добавлено спустя 15 минут 6 секунд:
Re: Питание стартера - нужен совет знающих людей (Kawasaki ER5)
Перечитал еще раз глядя на схему. Подай плюс проводом с акб на провод который между реле идет.
Если стартер начнет крутить - скорее всего проблема в схеме питания малого реле. Например диод умирает. Или провод отваливается.
Инфа стопроцентная!
- Geodozer
- На форуме: 12 Лет 5 Месяцев 3 дней
- Сообщения: 3,968
- Зарегистрирован: Сб май 18, 2013 19:30
- Откуда: DC
- Пол:
Re: Питание стартера - нужен совет знающих людей (Kawasaki E
Ну вот нaхpена, спрашивается?Aleks_R писал(а):промежуточный усилитель
Честно говоря, два реле подряд на одну цепь вижу впервые (не, может видеть-то и видел, но значения не придавал).
Короче, если перемкнуть клеммы в штекере, на котором реле висит - всё работает с кнопки (!).Виталий писал(а):Если стартер начнет крутить - скорее всего проблема в схеме питания малого реле. Например диод умирает. Или провод отваливается.
И роль реле мне вообще непонятна - разгрузить то, что и так слабо нагружено?
Но выкидывать "лишнюю" деталь не рискнул, поставил жиговскую релюху на 30А, работает корректно, максимум один раз прощёлкнет, и стартер крутит.
Починяю примусы, регулирую карбюраторы.
-
- На форуме: 15 Лет 7 Месяцев 5 дней
- Сообщения: 956
- Зарегистрирован: Чт мар 18, 2010 08:46
- Откуда: Москва, Планерная
- Имя: Алексей
- Мотоцикл: Honda PC800
- Пол:
Re: Питание стартера - нужен совет знающих людей (Kawasaki E
Нууу... если есть желание заморочиться - можно померить идущий на открывание силового реле ток и оценить, не сожжет ли он контакты кнопки. А может быть, так оказалось проще развести систему диодов и датчика подножкиGeodozer писал(а):Ну вот нaхpена, спрашивается?

Пацифик - это старый, весь заросший пластиком чоппер (с)