Важна ли "полярность" статора при подключении коммутатора?
- Виталий
- На форуме: 17 Лет 3 Месяцев 21 дней
- Сообщения: 19,444
- Зарегистрирован: Пн сен 08, 2008 01:42
- Род занятий: Автомобильное оборудование
- Откуда: Москва, Алексеевская
- Имя: Виталий
- Мотоцикл: Yamaha MT-03 (660) продал
- Пол:
- Контактная информация:
Важна ли "полярность" статора при подключении коммутатора?
Собственно первый вопрос в названии.
Коммутатор переменного тока.
Статор с высоковольтной катушкой и индуктивным датчиком.
Ротор на магнитах
Хочу выслушать мнения...
И второй попутный вопрос.
Сцепление гидравлическое магура. "only mineral oil".
Можно ли убить рабочий цилиндр "неправильным" маслом в моторе, если поршень представляет из себя тарелку с канавкой, в которой находится резиновой O-Ring, а со стороны мотора плещется моторное масло?
Коммутатор переменного тока.
Статор с высоковольтной катушкой и индуктивным датчиком.
Ротор на магнитах
Хочу выслушать мнения...
И второй попутный вопрос.
Сцепление гидравлическое магура. "only mineral oil".
Можно ли убить рабочий цилиндр "неправильным" маслом в моторе, если поршень представляет из себя тарелку с канавкой, в которой находится резиновой O-Ring, а со стороны мотора плещется моторное масло?
Инфа стопроцентная!
- derschlang
- На форуме: 13 Лет 3 Месяцев 24 дней
- Сообщения: 1,442
- Зарегистрирован: Вт сен 04, 2012 16:16
- Откуда: Москва САО
- Имя: Рогожкин Алексей
- Мотоцикл: BMW R1200ST, Honda VTR1000F, Honda CB-1 600, Stels Flex 250.
- Пол:
- Контактная информация:
Re: Важна ли "полярность" статора при подключении коммутатор
Статор - вроде пофигу. Не пофигу как подключать датчик.
Для машинки сцепления покупаешь специальную жидкость Vitamol.
Для машинки сцепления покупаешь специальную жидкость Vitamol.
- 200
- На форуме: 16 Лет 2 Месяцев 15 дней
- Сообщения: 1,027
- Зарегистрирован: Вт окт 13, 2009 22:22
- Откуда: Москва
- Имя: Константин
- Мотоцикл: SG 200 GY-2 +еще
- Пол:
Re: Важна ли "полярность" статора при подключении коммутатор
Важна в общем случае. Просто не будет искры. Могут существовать схемы где не важна, но это отклонениеот общей ситуации. Могу пояснить подробнее если надо.
С моторным маслом вопрос более дискуссионный. Залив вместо масла что либо убить также можно много что. Хуже всего абразивные частицы. Закоксовывание также дает подарки.
С моторным маслом вопрос более дискуссионный. Залив вместо масла что либо убить также можно много что. Хуже всего абразивные частицы. Закоксовывание также дает подарки.
Без мотоцикла? Не падонок!(с)200
- Виталий
- На форуме: 17 Лет 3 Месяцев 21 дней
- Сообщения: 19,444
- Зарегистрирован: Пн сен 08, 2008 01:42
- Род занятий: Автомобильное оборудование
- Откуда: Москва, Алексеевская
- Имя: Виталий
- Мотоцикл: Yamaha MT-03 (660) продал
- Пол:
- Контактная информация:
Re: Важна ли "полярность" статора при подключении коммутатор
Очень интересно, о этом и тема.200 писал(а):Могу пояснить подробнее если надо
Предыстория такова:
Купил товарищ husqvarna sm510r. Проездил 200км и потерял искру.
Приговорили ему статор (че с ним произошло я не проверял, но он тоже прозванивался и сопротивление было приблизительно одинаковым с новым)
Стотор он поставил неоригинальный. Долго мучали мот и только добились того, что при вращении двигателя искра появляется при нажатии иили отпускании килсвича (т.е одно нажатие - одна искра вне зависимости от количества оборотов КВ).
Позвали меня, я прозвонил всю проводку и все что можно. Менял полярность датчика КВ. Искра была стабильная, если проносить индуктивный датчик мимо металла, и даже иногда в штатном режиме, но на 10 секунд максимум, а потом пропадала.
Многие манипуляции приводили к появлению искры, но не на долго. Вчера уже в от безысходности начал пропаиавть обжатые пины на проводах.
Пропаиваю датчик - искра появилась. Пробую заводить -пропала.
Пропаиваю высоковольтную обмотку - аналогично. У всех истерический смех и непонимание происходящего.
Ах да, мозги проверяли на другом мотоцикле - все ок. Взяли проводку с донора - ничего не меняется. Тоже искра есть только когда она хочет.
В итоге сделал то, чего еще не делал, чтоб можно было сказать что я попробовал все - поменял местами 2 провода(соответствующих по цвету) высоковольтной обмотки, и все заработало..
Добавлено спустя 2 минуты 56 секунд:
Re: Важна ли "полярность" статора при подключении коммутатора?
Интересно, может и тут что-то подобное было?
http://www.motoforum.ru/forum/topic89377.html
Добавлено спустя 5 минут 34 секунды:
Re: Важна ли "полярность" статора при подключении коммутатора?
Ну вопрос более чем простой.200 писал(а):С моторным маслом вопрос более дискуссионный.
Чем обусловлена необходимость использования минералки(или есть ли такова необходимость кроме вязкости), и может ли воздействие моторного масла(например с каими-либо присадками) убить манжету рабочего цилиндра сцепления.
Вот такой:
Инфа стопроцентная!
- XPOH
- На форуме: 12 Лет 9 Месяцев 29 дней
- Сообщения: 16,367
- Зарегистрирован: Вс мар 03, 2013 15:34
- Род занятий: Архитектор системы
- Откуда: Железнодорожный, МО
- Имя: Сергей
- Мотоцикл: Скутер 50сс
- Пол:
Re: Важна ли "полярность" статора при подключении коммутатор
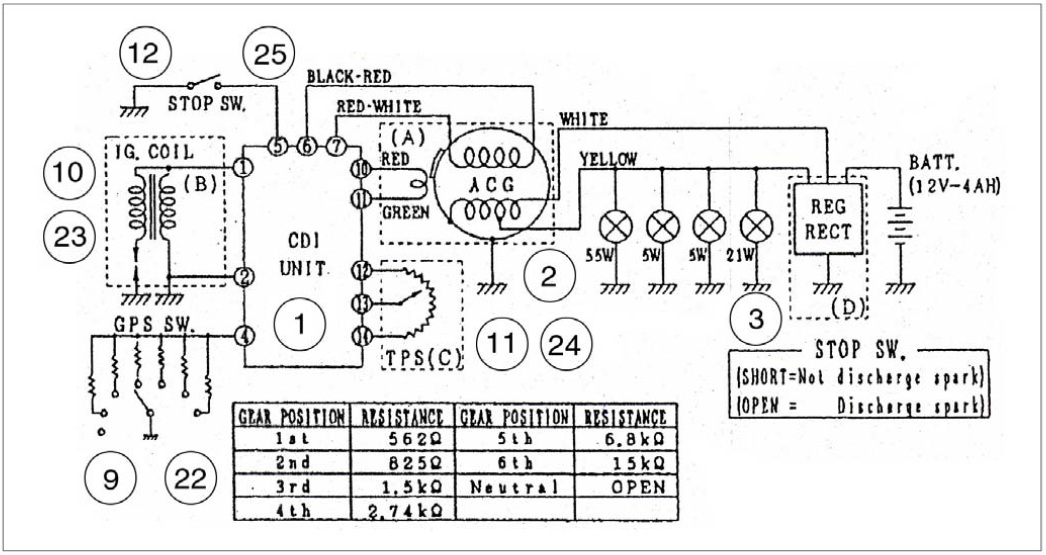
1. Поскольку статор имеет один полюс, и колокол ротора часто имеет от 2 до 4 магнитов, то частота импульсов на выходе обмотки зажигания должна либо совпадать с удвоенной частотой вращения, либо быть кратной. Поскольку индуктивности обмоток и емкость в коммутаторе вращают фазу сигнала, то очень может быть, что обратная фаза сигнала может ухудшить искрообразование. Точнее скажут электронщики, плюс наверное нужно знать схему конкретного коммутатора.
2. Убить можно в принципе все что хочешь, нужно только уметь. Но чтобы синтетическое масло как-то по особенному влияло на резиновые детали нежели минеральное, достоверных сведений у меня нет. Присадки не в счет, они и там и там бывают разные.
2. Убить можно в принципе все что хочешь, нужно только уметь. Но чтобы синтетическое масло как-то по особенному влияло на резиновые детали нежели минеральное, достоверных сведений у меня нет. Присадки не в счет, они и там и там бывают разные.
У меня есть ответ на главный вопрос жизни, вселенной и всего такого, но он может вас огорчить...
- Виталий
- На форуме: 17 Лет 3 Месяцев 21 дней
- Сообщения: 19,444
- Зарегистрирован: Пн сен 08, 2008 01:42
- Род занятий: Автомобильное оборудование
- Откуда: Москва, Алексеевская
- Имя: Виталий
- Мотоцикл: Yamaha MT-03 (660) продал
- Пол:
- Контактная информация:
Re: Важна ли "полярность" статора при подключении коммутатор
"Когда я пришел все так и было"XPOH писал(а):2. Убить можно в принципе все что хочешь, нужно только уметь
Там и резинка плохо себя чувствует и корпус поврежден...
Просто смотрел на многие рабочие цилиндры пока искал и некоторые из них имеют мембрану после поршня.
А сами они бывают под дот и под минералку.
А отличаются толи поршнем толь уплотнительным кольцом. Пока так и не понял.
Инфа стопроцентная!
- 200
- На форуме: 16 Лет 2 Месяцев 15 дней
- Сообщения: 1,027
- Зарегистрирован: Вт окт 13, 2009 22:22
- Откуда: Москва
- Имя: Константин
- Мотоцикл: SG 200 GY-2 +еще
- Пол:
Re: Важна ли "полярность" статора при подключении коммутатор
Общего во всех схемах ACCDI это конденсатор, тиристор, диод, схема запуска тиристора.
Происходит следующее. Импульс при прохождении магнита через обмотку заряжает конденсатор. К моменту подачи сигнала на открытие тиристора конденсатор должен быть уже заряжен. Это первое что требуется от фазы. Второе, при открывании тиристора происходит искра. Тиристор в отличии от транзистора сам не закрывается при выключении управляющего напряжения. Закроется он только если с него убрать полностью коммутируемое напряжение или поменять полярность. Это второе требование к фазам. Если не закроется то и конденсатор не будет заряжаться, не будет следующего цикла.
Помимо этих простых вещей, управляющий сигнал на тиристор часто берется от цифровой микропроцессорной схемы. А вот там уже беспредельно реализуют всякие хитрости с фазами. Основная цель этих манипуляций это защита от обратного вращения путем запрета на искру. Обратное вращение это поломки механизмов и переломы стопы.
Поэтому, при использовании неоригинальных статоров, датчиков, перемотаных статоров искры часто нет из за неправильной фазировки концов обмоток.
Добавлено спустя 6 минут 59 секунд:
Re: Важна ли "полярность" статора при подключении коммутатора?
О влиянии синтетики на резинки писали раньше, в период пользования изделий отечественного автопрома и экспериментов с авиационной синтетикой.
Просто поменять все сомнительные детали, слить сомнительное масло и едем дальше.
Происходит следующее. Импульс при прохождении магнита через обмотку заряжает конденсатор. К моменту подачи сигнала на открытие тиристора конденсатор должен быть уже заряжен. Это первое что требуется от фазы. Второе, при открывании тиристора происходит искра. Тиристор в отличии от транзистора сам не закрывается при выключении управляющего напряжения. Закроется он только если с него убрать полностью коммутируемое напряжение или поменять полярность. Это второе требование к фазам. Если не закроется то и конденсатор не будет заряжаться, не будет следующего цикла.
Помимо этих простых вещей, управляющий сигнал на тиристор часто берется от цифровой микропроцессорной схемы. А вот там уже беспредельно реализуют всякие хитрости с фазами. Основная цель этих манипуляций это защита от обратного вращения путем запрета на искру. Обратное вращение это поломки механизмов и переломы стопы.
Поэтому, при использовании неоригинальных статоров, датчиков, перемотаных статоров искры часто нет из за неправильной фазировки концов обмоток.
Добавлено спустя 6 минут 59 секунд:
Re: Важна ли "полярность" статора при подключении коммутатора?
О влиянии синтетики на резинки писали раньше, в период пользования изделий отечественного автопрома и экспериментов с авиационной синтетикой.
Просто поменять все сомнительные детали, слить сомнительное масло и едем дальше.
Без мотоцикла? Не падонок!(с)200
- Виталий
- На форуме: 17 Лет 3 Месяцев 21 дней
- Сообщения: 19,444
- Зарегистрирован: Пн сен 08, 2008 01:42
- Род занятий: Автомобильное оборудование
- Откуда: Москва, Алексеевская
- Имя: Виталий
- Мотоцикл: Yamaha MT-03 (660) продал
- Пол:
- Контактная информация:
Re: Важна ли "полярность" статора при подключении коммутатор
200, поклон. Доступно и ясно.
Судя по отслеживанию какая скорость включена и контролю положения дросселя там именно процессор.200 писал(а):микропроцессорной схемы.
Инфа стопроцентная!
- XPOH
- На форуме: 12 Лет 9 Месяцев 29 дней
- Сообщения: 16,367
- Зарегистрирован: Вс мар 03, 2013 15:34
- Род занятий: Архитектор системы
- Откуда: Железнодорожный, МО
- Имя: Сергей
- Мотоцикл: Скутер 50сс
- Пол:
Re: Важна ли "полярность" статора при подключении коммутатор
Для дота и масла скорее всего нужны разные резинки по составу. Но современные полимеры уже на голову выше чем предки, могут уверенно стоять в любой среде. Плюс текучесть у дота и масла существенно отличается, соответственно и стойкость уплотнения от протечек нужна разная, а значит форма и жесткость резинки разная. На доте обычно нежные мягкие манжетки, специальной самораспорной формы (давлением кромки раскрывает шире и зазор самоуплотняется. На масле обычно резинки пожесче, форма манжет тоже другая, часто вообще о-ринг простой. Если мембрана, то возможно, это дополнительная защита от протечек. Надо смотреть конструкциюВиталий писал(а):Просто смотрел на многие рабочие цилиндры пока искал и некоторые из них имеют мембрану после поршня.
А сами они бывают под дот и под минералку.
А отличаются толи поршнем толь уплотнительным кольцом. Пока так и не понял.
У меня есть ответ на главный вопрос жизни, вселенной и всего такого, но он может вас огорчить...
- Виталий
- На форуме: 17 Лет 3 Месяцев 21 дней
- Сообщения: 19,444
- Зарегистрирован: Пн сен 08, 2008 01:42
- Род занятий: Автомобильное оборудование
- Откуда: Москва, Алексеевская
- Имя: Виталий
- Мотоцикл: Yamaha MT-03 (660) продал
- Пол:
- Контактная информация:
Re: Важна ли "полярность" статора при подключении коммутатор
В полной уверенности что с зажиганием все в порядке несколько часов провозились со сцепой.
Новый цилиндр не подошел. Поменяли поршень, удлинили шток. С прокачкой полная шляпа. Смогли прокачать только в обратную сторону, засасывая на обратном ходу главного жижу через прокачной штуцер
Все собрали. Завели(до этого несколько раз заводили), прогрели. Я сел, проехал 500м и заглох. Нет искры.
Прям "меня трудно найти, легко потерять и невозможно забыть"
Докатил до гаража. Поменял местами фазы. Появилась искра. Газанул - заглох. Меняю местами - завожу и глохну.
Что это за фигня?!?!?!?!?!
Новый цилиндр не подошел. Поменяли поршень, удлинили шток. С прокачкой полная шляпа. Смогли прокачать только в обратную сторону, засасывая на обратном ходу главного жижу через прокачной штуцер
Все собрали. Завели(до этого несколько раз заводили), прогрели. Я сел, проехал 500м и заглох. Нет искры.
Прям "меня трудно найти, легко потерять и невозможно забыть"
Докатил до гаража. Поменял местами фазы. Появилась искра. Газанул - заглох. Меняю местами - завожу и глохну.
Что это за фигня?!?!?!?!?!
Инфа стопроцентная!
- XPOH
- На форуме: 12 Лет 9 Месяцев 29 дней
- Сообщения: 16,367
- Зарегистрирован: Вс мар 03, 2013 15:34
- Род занятий: Архитектор системы
- Откуда: Железнодорожный, МО
- Имя: Сергей
- Мотоцикл: Скутер 50сс
- Пол:
Re: Важна ли "полярность" статора при подключении коммутатор
Шпонко? 
У меня есть ответ на главный вопрос жизни, вселенной и всего такого, но он может вас огорчить...
- 200
- На форуме: 16 Лет 2 Месяцев 15 дней
- Сообщения: 1,027
- Зарегистрирован: Вт окт 13, 2009 22:22
- Откуда: Москва
- Имя: Константин
- Мотоцикл: SG 200 GY-2 +еще
- Пол:
Re: Важна ли "полярность" статора при подключении коммутатор
Это плавающая неисправность. Похоже на коммутатор. Начать надо с проверки тонкой обмотки. При прогреве может коротить на массу или давать обрыв. Поэтому надо прогреть на месте и когда пропадет искра искать причину. Можно на холостом ходу погреть коммутатор феном промышленным. Иногда датчик при нагреве дает обрыв.
Прочитай мою статью по диагностике и устройству зажигания на Джебел клубе в разделе статьи.
Прочитай мою статью по диагностике и устройству зажигания на Джебел клубе в разделе статьи.
Без мотоцикла? Не падонок!(с)200
- Виталий
- На форуме: 17 Лет 3 Месяцев 21 дней
- Сообщения: 19,444
- Зарегистрирован: Пн сен 08, 2008 01:42
- Род занятий: Автомобильное оборудование
- Откуда: Москва, Алексеевская
- Имя: Виталий
- Мотоцикл: Yamaha MT-03 (660) продал
- Пол:
- Контактная информация:
Re: Важна ли "полярность" статора при подключении коммутатор
Ну так, для общего развития готов выслушать логику.XPOH писал(а):Шпонко?
Ладноб на шпонке проворачивался выступ модулятор относительно ротора...
Хотя, вспоминая конструкцию роторов нужно проверить не вращяется ли там ничего...
Это мое "либимое", ладно хоть какую-то зависимость удалось установить.200 писал(а):Это плавающая неисправность.
Есть куда думать.
Почитал.200 писал(а):Прочитай
Задумался о том, что может это подходящий момент купить осцилограф
В принципе что осталось сделать - выявить зависимость импульсов обмотки статора и датчика.
Добавлено спустя 53 минуты 38 секунд:
Re: Важна ли "полярность" статора при подключении коммутатора?
Эпизод IV: Новая надежда» .
Выяснил у владельца, что во время замены статора он вычестил много хлопьев клея с ротора. Лезли они из щели между стаканом ротора и кольцом магниитов.
Сам вотъезде. Поручил изучить ротор на предмет вращения магнитов.
Инфа стопроцентная!
- Кислый
- Граф Кислейший
- На форуме: 13 Лет 5 Месяцев 15 дней
- Сообщения: 8,264
- Зарегистрирован: Вс июл 15, 2012 13:08
- Откуда: Москва СЗАО, Полежаевская
- Имя: Толя
- Мотоцикл: ХРень с люлей, половинка оппозита, оранжевый
- Пол:
Re: Важна ли "полярность" статора при подключении коммутатор
Сцеплению будет все равно. А вот мотору от неправильного масла - неизвестно.Виталий писал(а):Можно ли убить рабочий цилиндр "неправильным" маслом в моторе, если поршень представляет из себя тарелку с канавкой, в которой находится резиновой O-Ring, а со стороны мотора плещется моторное масло?
Если вместо магуры плеснуть ДОТ, то оринг просто умрет и уссыт все. На КТМ ставят киты с двумя, а то и тремя орингами на поршне.
И вместо магуры можно пользовать толи Декстрон2 или декстрон3. точно не помню.
Со всеми честен, от чего и страдаю. Характер прескверный. Не женат.
Зябра курильщика.
Зябра курильщика.
- Виталий
- На форуме: 17 Лет 3 Месяцев 21 дней
- Сообщения: 19,444
- Зарегистрирован: Пн сен 08, 2008 01:42
- Род занятий: Автомобильное оборудование
- Откуда: Москва, Алексеевская
- Имя: Виталий
- Мотоцикл: Yamaha MT-03 (660) продал
- Пол:
- Контактная информация:
Re: Важна ли "полярность" статора при подключении коммутатор
Поставили как раз из тюненого цилиндра поршень с двумя о-рингами.Sladkii писал(а):На КТМ ставят киты с двумя, а то и тремя орингами на поршне
Инфа стопроцентная!
.